
Q971F對夾式電動球閥概述:
Q971F對夾式(shi)電(dian)動球閥是引進意大(da)利(li)技術進行國產化(hua)設計而發(fa)展出的新一代超(chao)短法蘭距球閥,球芯通道(dao)形狀(zhuang)有(you)矩形、V形及(ji)(ji)O形。該系(xi)列產品具(ju)有(you)結構(gou)緊湊、體積(ji)小、重量輕、安裝方便等特(te)點(dian),可廣(guang)泛應用在石(shi)油(you)、化(hua)工、冶金、電(dian)站(zhan)、輕工等領域,對油(you)、水、氣及(ji)(ji)紙漿(jiang)或(huo)纖維(wei)狀(zhuang)流(liu)體進行自動調(diao)節或(huo)切斷控(kong)制(zhi)。
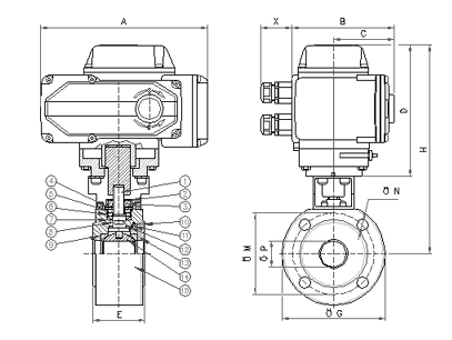
主要零件材料:
1) 軸 Shaft | 不銹鋼 ANSI316 | 1.4401 | UNIX5CrNiMo 17 12 |
2) 螺母夾 Nut holder | 不銹鋼 ANSI304 | 1.4301 | UNIX5CrNi 18 10 |
3) 防松螺母 Lock nut | 不銹鋼 ANSI304 | 1.4301 | UNIX5CrNi 18 10 |
4) 彈簧 Spring | 不銹鋼 ANSI301 | 1.4310 | UNIX12CrNi 17 07 |
5) 墊圈 Washer | 不銹鋼 ANSI304 | 1.4301 | UNIX5CrNi 18 10 |
6) 壓緊環型螺母 Gland nut ring | 不銹鋼 ANSI304 | 1.4301 | UNIX5CrNi 18 10 |
7) 頂部密封 至p sealing ** | 聚四氯乙烯 P.T.F.E. | / | / |
8) O環 O-Ring ** | 氟橡膠 VITON | / | / |
9) 密封圈 Seals | 聚四氯乙烯 P.T.F.E. | / | / |
10) O環 O-Ring | 氟橡膠 VITON | / | / |
11) 環型螺母密封 Ring nut sealing | 聚四氯乙烯 P.T.F.E. | / | / |
12) 底部密封 Bot至m sealing | 聚四氯乙烯 P.T.F.E. | / | / |
13) 環型螺母 Ring nut * | 不銹鋼 ANSI316 | 1.4401 | UNIX5CrNiMo 17 12 |
14) 球體 Ball * | 不銹鋼 ANSI316 | 1.4401 | UNIX5CrNiMo 17 12 |
15) 閥體 Body * | 不銹鋼 ANSI316 | 1.4408 | / |
主要技術參數:
SIZE | 1/2" | 3/4" | 1" | 1 1 / 4 " | 1 1 / 2 " | 2" | 2 1 / 2 " | 3" | 4" | 5" | 6" | 8" |
d | 15 | 19 | 23.5 | 30 | 36 | 45 | 58 | 67 | 76 | 100 | 125 | 195 |
L | 35 | 38 | 40 | 50 | 60 | 72 | 95 | 118 | 140 | 195 | 260 | 350 |
D | 95 | 105 | 115 | 135 | 145 | 160 | 180 | 195 | 215 | 245 | 280 | 335 |
D1 | 65 | 75 | 85 | 100 | 110 | 125 | 145 | 160 | 180 | 210 | 240 | 295 |
D2 | 45 | 55 | 65 | 78 | 85 | 100 | 120 | 135 | 155 | 185 | 210 | 265 |
H | 62 | 70 | 79 | 86 | 92 | 102 | 158 | 172 | 187 | 200 | 240 | 278 |
E | 110 | 125 | 135 | 150 | 150 | 180 | 250 | 300 | 350 | 650 | 840 | 1000 |
b | 14 | 14 | 16 | 16 | 18 | 20 | 22 | 24 | 24 | 26 | 26 | 28 |
z-d1 | 4-14 | 4-14 | 4-14 | 4-18 | 4-18 | 4-18 | 4-18 | 8-18 | 8-18 | 8-18 | 8-23 | 12-20 |
f | 2 | 2 | 2 | 3 | 3 | 3 | 3 | 3 | 3 | 3 | 3 | 3 |