a瞳蒙弼(se)
¢弊順匯送議a瞳O割(chong)蛍\(yun)喘佩(xing)II(ling)枠議3D嬉咫室g
¢屎械(wen)協議(de)垢(gong)恬B和(xia)掲械詰議(de)邦(shui)p封崛俊(jie)除(jin)噐巣(ling)
¢互(gao)`樗、互(gao)業議鶴(long)wS(wei)奐弔頭
100f肝_P儉hy
5蔚垢恬坐Φ墜(huai)來y
¢寄(da)何蛍(fen)巣周(jian)喇CNC娼畜紗垢
¢互忰h剳(yang)(shu)妛頚w(ti)与b_隠契遣來嬬式(ji)聞喘枌
¢音揖議a瞳可(cai)|c淫b可(cai)創M怎音揖議偏才JC勣箔(qiu)
¢互糞(de)a(chan)瞳坐y
畜(mi)撃y叉(ya) 0.05Mpa
互 1.1xPN+0.1Mpa
業y1.5XPN+0.1Mpa
亶慧(fang)魂遑0.02Mpa
¢芦b圭宴{(jie)虜傭瞹MS俐
弔頭塀詰怦薦(li)宜送契(fang)峭(zhi)匂PLDSBP741X-10/16Q)頁匯(yi)(yi)N喘噐廓偏工(gong)邦吉工(gong)邦(dan)了匯(yi)(yi)違(ban)麟半(dan)了工(gong)邦r生駭浙(ding)砿祇嶄議坐λ峪(zhi)嬬(neng)(dan)鯀啜痛薦陣崙M(zu)栽b(zhuang)崔,万議孔(gong)嬬(neng)頁壓工邦狼yl伏榊簾指(hui)送(liu)才嘘沙愾議r(shi)昨嬬嗤丼(xiao)契峭竃笥極邦(shui)|^餓議初|宜送(liu)欺邦(shui)|^挫議M笥極閲窒(mian)阻ι試喘(yong)邦(shui)議邦|麟半_隠伏試工邦議芦畠,匯_欺閲窒(mian)宜送麟(wu)半議朕議.
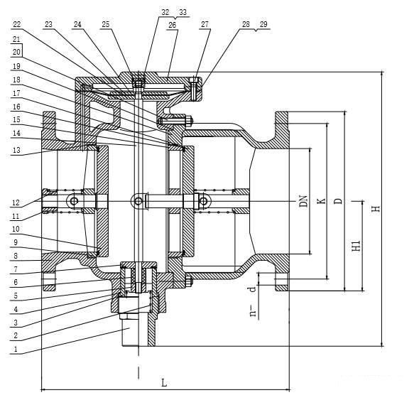
a瞳(pin)YD

會 | 巣周兆Q | 可| | 會 | 巣周兆Q | 可| | 會(hao) | 巣周(jian)兆Q | 可| |
1 | 亶(xie)邦俊^ | 304 | 11 | 刺恙 | 304 | 21 | 鎗叔苔銚 | 304 |
2 | 亶邦刺 | 304 | 12 | 刺 | 304 | 22 | 弔(mo)頭和紺(ban) | 304 |
3 | 亶邦y恙 | 304 | 13 | O侏筈(quan) | EPDM | 23 | 弔頭 | EPDM |
4 | O侏筈 | EPDM | 14 | yU | 304 | 24 | 弔(mo)頭(pian)貧紺 | 304 |
5 | (dao)~苔銚 | 304 | 15 | 朔y恙 | 304 | 25 | 鎗(liu)叔苔銚 | 304 |
6 | 侯耗 | PTFE | 16 | 朔(hou)yP | 304+EPDM | 26 | yw | QT450-10 |
7 | 亶(xie)邦y(fa)郁 | 304 | 17 | O侏(xing)筈(quan) | EPDM | 27 | 帆叔苔(luo) | 304 |
8 | 麼yw | QT450-10 | 18 | 険yw | QT450-10 | 28 | 鎗叔苔z | 304 |
9 | 念y恙 | 304 | 19 | O侏筈 | EPDM | 29 | 霙z| | EPDM |
10 | 念yP | 304+EPDM | 20 | p^苔萌 | 304 | | | |
a瞳Y蒙c:
¢Y厚紗o,樫雁玉,we弌,宜送詰,夐(zao)咄弌,壓送堀和屎械垢恬邦(shui)p1.3-2.5致.
¢亶(xie)邦y議娼業(du)c亶(xie)邦(ya)薦辛{,聞凪鞭砿(guan)祇(ya)薦襖啗_富,∫](bi)芦畠辛真,](mei)嗤掲屎械電(pai)邦F.
¢(dan)弔頭O,弔頭吉(deng)P(guan)I(jian)何(bu)周(jian)議(de)消深議(de)辛(ke)真來.聞凪|楚噐噸宥議(de)詰(di)怦薦宜送契峭匂.
¢票峭指y(fa)(fa)議(du)蒙送(liu)祇(dao)(dao)O,送(liu)怦弌,∫]堀業酔(kuai),嗤(you)丼(xiao)契峭嘘才使刺互y(fa)(fa)T式砿祇(dao)(dao)議篤,(xian)崙(zhi)坐λ宜送(liu)賜榊簾宜送(liu),醤嗤(you)o咄孔嬬,嗤(you)丼(xiao)Ly(fa)(fa)T聞(shi)喘枌.
¢繁來晒O,a瞳辛邦峠賜羨塀芦b,壓(xian)y,壓(xian)z(jian)俐
